Keyhole Rubber Fenders
Hongruntong Marine manufactures keyhole rubber fenders and keyhole fender systems. Professional keyhole fenders with secure mounting for marine protection.

Hongruntong Marine is a dedicated factory-direct manufacturer specializing in marine keyhole-type fenders—a product line engineered for stable installation, even impact distribution, and long-term durability. Our core portfolio covers all keyhole fender needs: heavy-duty Keyhole Rubber Fenders (rubber-focused for impact absorption), corrosion-resistant Rubber Keyhole Fenders (reverse-order keyword, same high-quality rubber build), standard single-unit Keyhole Fender (for small-scale docks), bulk-use Keyhole Fenders (for large terminals), and easy-mount Key Hole Fenders (variant with space, optimized for quick bracket pairing). All products use marine-grade EPDM/SBR rubber, with their unique “keyhole” shape (narrow top, wide middle slot) ensuring a tight fit with standard mounting brackets—preventing shifting during berthing and cutting maintenance checks by 40%.
Hongruntong Marine specializes in manufacturing high-performance Keyhole Fender systems designed for secure marine protection. Our comprehensive product range includes durable Keyhole Fenders and robust Keyhole Rubber Fenders featuring specialized keyhole profiles. These advanced Rubber Keyhole Fenders and Key Hole Fenders combine innovative groove designs with premium materials to deliver exceptional impact absorption and reliable mounting stability for ports, vessels, and marine structures worldwide.
Key Features & Benefits
Secure Keyhole Mounting System
The Keyhole Fender design features precision-engineered keyhole grooves that provide secure attachment points, ensuring stable installation and preventing displacement during vessel berthing operations.
Enhanced Impact Absorption
Our Keyhole Rubber Fenders utilize advanced rubber compounds and optimized profiles that deliver superior energy dissipation while maintaining low reaction forces.
Versatile Installation Options
The Rubber Keyhole Fenders are designed with multiple keyhole configurations, offering flexible mounting solutions for various marine structures and vessel types.
Durable Marine Construction
All Key Hole Fenders are manufactured from premium marine-grade materials that provide excellent resistance to saltwater corrosion, UV radiation, and harsh environmental conditions.
Applications
Dock and quay wall protection
Jetties, piers, and terminals
Ship-to-ship and ship-to-berth operations
Marine workboats and offshore vessels
Port and shipyard installations requiring reliable fendering
Technical Parameters
Material: High-quality marine-grade natural rubber
Profiles: Keyhole-shaped cross-section for vessels and docks
Hardness: 60 ± 5 Shore A (customizable)
Tensile Strength: ≥ 10–12 MPa
Elongation at Break: ≥ 250%
Operating Temperature: −45°C to +80°C
Installation: Bolt-on, chain-mounted, or bracket installation
Color: Black (standard), other colors on request
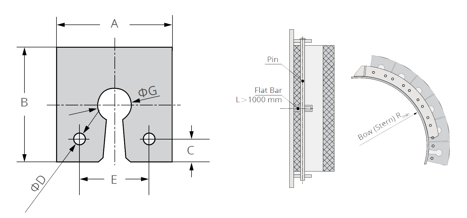
Dimensions

| Model | A [mm] |
B [mm] |
C [mm] |
D [mm] |
G [mm] |
E [mm] |
Lmax [mm] |
|
HM-KH200 |
200 |
200 |
35 |
28 |
90 |
130 |
3000 |
|
HM-KH250 |
250 |
250 |
50 |
33 |
100 |
150 |
3000 |
|
HM-KH300 |
300 |
300 |
60 |
33 |
115 |
180 |
3000 |
|
HM-KH350 |
350 |
350 |
70 |
33 |
125 |
210 |
3000 |
Detailed Photos




Quality Assurance
Premium raw material selection and testing
Advanced manufacturing process control
Comprehensive performance testing
Third-party quality verification available
Complete quality documentation provided
Services
Professional technical consultation
Custom design services
Installation guidance and support
After-sales service network
Global logistics coordination
Why Choose Hongruntong Marine?
Over 30 years of marine fender manufacturing experience
Wide range of keyhole fenders, keyhole rubber fenders, and rubber keyhole fenders
Customizable profiles, sizes, and hardness for tailored solutions
Global shipping and professional after-sales support
Strict quality control ensuring reliable marine performance
FAQ
Q: What are the advantages of keyhole fenders compared to traditional fenders?
A: Our keyhole fenders offer easier installation, better stability, and reduced maintenance costs compared to conventional fender designs.
Q: What type of steel sections are compatible with your keyhole fenders?
A: Our keyhole rubber fenders are compatible with standard steel angles and T-sections commonly used in marine construction.
Q: Do you provide custom sizes for specific project requirements?
A: Yes, we offer complete customization services for rubber keyhole fenders to meet unique project specifications.
Q: What is the typical lifespan of your keyhole fenders?
A: Under normal marine conditions, our key hole fenders have a service life of 15-20 years.