Super Cone Fenders
Hongruntong Marine manufactures super cone fenders and cone rubber fender systems. Professional cone fenders marine solutions with comprehensive technical catalogue.

Hongruntong Marine is a dedicated factory-direct manufacturer specializing in marine cone-type fenders, engineered to deliver robust protection for ports, offshore platforms, and vessel operators worldwide. Our core product range is tailored to diverse maritime needs: heavy-duty Super Cone Fender (for high-impact berthing scenarios), elastic Cone Rubber Fender (blending rubber cushioning with structural stability), and scenario-optimized Cone Fenders Marine (designed exclusively for harsh marine environments). All our cone fenders use marine-grade materials—including high-density EPDM/SBR rubber (resistant to saltwater, UV, and oil) and optional galvanized steel cores (for enhanced load capacity)—ensuring durability in conditions ranging from busy container terminals to rough-sea offshore bases.
Hongruntong Marine proudly presents our innovative super cone fender series, engineered to deliver exceptional performance in marine protection applications. Our comprehensive product line features high-performance cone rubber fender systems specifically designed for demanding cone fenders marine environments. With access to our detailed technical catalogue, clients can explore the complete range of conical fender solutions that combine cutting-edge geometric design with premium materials to ensure superior impact absorption and long-term reliability.
Characteristics
High Energy Absorption – The conical design allows maximum energy absorption with lower stress on vessel hulls and quay walls.
Stable Performance – The geometry ensures excellent shear resistance and high stability during berthing.
Durability – Manufactured from high-quality marine-grade rubber compounds, ensuring long service life.
Wide Range of Sizes – Available in different dimensions to suit small harbors to large offshore terminals.
Low Maintenance – Resistant to aging, ozone, and UV, reducing operational costs.
Customizable Solutions – Compatible with steel frontal panels, UHMW-PE pads, and tailored fixing systems.
Applications
Container terminals and cargo ports
Oil & gas terminals and LNG/LPG facilities
Bulk cargo berths and Ro-Ro ramps
Offshore platforms and ship-to-ship operations
High-energy berths requiring strong protection
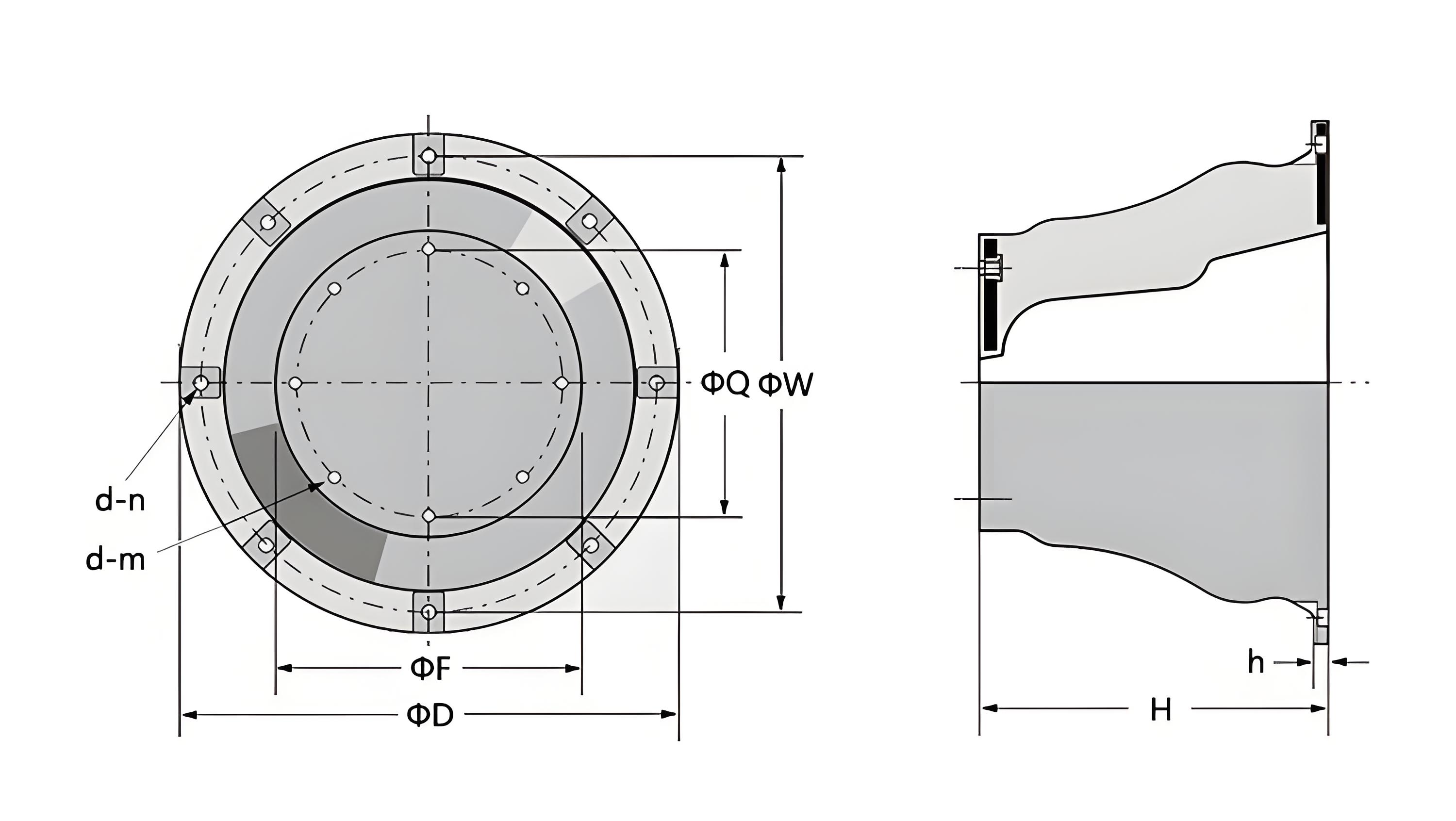
Drawings

Dimensions
|
Model
|
H
|
h
|
F
|
D
|
Q
|
W
|
d-m
|
d-n
|
|
Cone
|
[mm]
|
[mm]
|
[mm]
|
[mm]
|
[mm]
|
[mm]
|
[mm]
|
[mm]
|
|
HMCO-300H
|
300
|
13.5
|
255
|
450
|
195
|
405
|
M16
|
20
|
|
HMCO-350H
|
350
|
25
|
300
|
570
|
235
|
510
|
M20
|
25
|
|
HMCO-400H
|
400
|
18
|
340
|
600
|
260
|
540 |
M20
|
25
|
|
HMCO-500H
|
500
|
25
|
425
|
750
|
325
|
675
|
M24
|
30
|
|
HMCO-600H
|
600
|
27
|
510
|
900
|
390
|
810
|
M24
|
30
|
|
HMCO-700H
|
700
|
32
|
585
|
1050
|
455
|
945
|
M30
|
38
|
|
HMCO-800H
|
800
|
36
|
680
|
1200
|
520
|
1080
|
M36
|
44
|
|
HMCO-900H
|
900
|
41
|
765
|
1350
|
585
|
1215
|
M36
|
44
|
|
HMCO-1000H
|
1000
|
45
|
850
|
1500
|
650
|
1350
|
M42
|
56
|
|
HMCO-1050H
|
1050
|
55
|
1030
|
1680
|
900
|
1530
|
M36
|
44
|
|
HMCO-1100H
|
1100
|
50
|
935
|
1650
|
715
|
1485
|
M42
|
50
|
|
HMCO-1150H
|
1150
|
52
|
998
|
1725
|
750
|
1550
|
M42
|
56
|
|
HMCO-1200H
|
1200
|
54
|
1020
|
1800
|
780
|
1620
|
M42
|
50
|
|
HMCO-1300H
|
1300
|
59
|
1105
|
1950
|
845
|
1755
|
M48
|
60
|
|
HMCO-1400H
|
1400
|
66
|
1190
|
2100
|
930
|
1890
|
M48
|
60
|
|
HMCO-1600H
|
1600
|
72
|
1360
|
2400
|
1060
|
2160
|
M48
|
70
|
|
HMCO-1800H
|
1800
|
78
|
1530
|
2880
|
1190
|
2430
|
M56
|
76
|
|
HMCO-2000H
|
2000
|
80
|
1900
|
3200
|
1540
|
2920
|
M56
|
76
|
| *Note: Other sizes can be customized according to the requirements. | ||||||||
Detailed Photos





Why Choose Hongruntong Marine?
Quality & Service
Manufactured under ISO 9001:2015 quality management system
100% factory-tested for energy absorption and reaction force performance
Corrosion-resistant and environmentally friendly materials
Professional engineering support for design, installation, and after-sales service
FAQ
Q: What distinguishes super cone fender technology from traditional designs?
A: Super cone fender systems feature optimized conical geometry that provides superior energy absorption efficiency, better stress distribution, and enhanced durability compared to traditional fender designs.
Q: How does cone rubber fender perform in extreme marine conditions?
A: Our cone rubber fender products are specifically engineered for harsh marine environments, with advanced material formulations that ensure reliable performance in extreme temperatures and demanding operational conditions.
Q: What maintenance is required for cone fenders marine systems?
A: Cone fenders marine systems require minimal maintenance, with regular visual inspections and periodic performance verification sufficient to ensure long-term reliability.
Q: Can you provide custom cone fender solutions?
A: Yes, we offer complete customization services for conical fender systems, including specialized sizes, performance characteristics, and mounting configurations tailored to meet unique project requirements.