Arch Fenders
Hongruntong Marine manufactures arch fenders and arch type rubber fender systems. Competitive arch fender price with durable arch marine fenders solutions.

Hongruntong Marine is a professional manufacturer of arch type rubber fenders and arch marine fenders, designed to provide superior performance and long-lasting durability in demanding marine environments. Our arch rubber fenders are widely used on docks, wharves, and ship berthing structures, offering excellent energy absorption and low reaction force to protect both vessels and infrastructure. With optimized design and high-grade rubber materials, our arch fenders perform efficiently even under extreme conditions, ensuring reliable impact protection at a competitive arch fender price.
Hongruntong Marine specializes in manufacturing high-performance arch fender systems designed for optimal marine protection. Our comprehensive product range includes durable arch type rubber fender solutions and robust arch rubber fender products engineered for demanding marine environments. With competitive arch fender price structures, we provide cost-effective arch marine fenders that deliver exceptional impact absorption and long-term reliability for ports, docks, and marine structures worldwide.
Features & Benefits
Optimized Arch Geometry
The arch fender design features precisely engineered curved profiles that provide superior energy absorption and stress distribution, ensuring maximum protection during vessel berthing operations.
Enhanced Material Performance
Our arch type rubber fender products utilize advanced marine-grade rubber compounds that offer exceptional resistance to abrasion, UV radiation, and harsh environmental conditions.
Cost-Effective Solutions
With competitive arch fender price points, our arch rubber fender systems deliver outstanding value through extended service life and reduced maintenance requirements.
Marine Environment Durability
All arch marine fenders are specifically engineered for saltwater applications, featuring excellent corrosion resistance and long-term performance stability.
Applications
Small and medium-sized ports and harbors
Fishing jetties and cargo terminals
Inland river facilities and ferry landings
Quay walls with low to moderate tidal variations
General berthing of workboats and service vessels
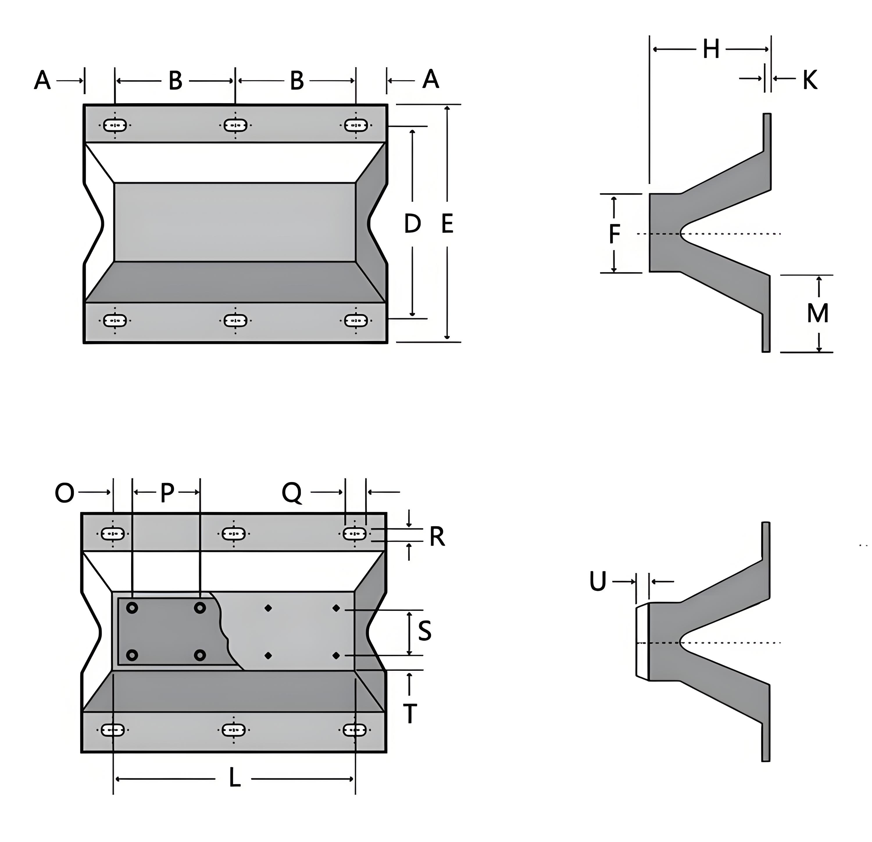
Specifications

| Model | A [mm] |
D [mm] |
E [mm] |
F [mm] |
H [mm] |
K [mm] |
M [mm] |
R x Q [mm] |
Lmax [mm] |
| HM-AF 150 | 50 | 240 | 326 | 98 | 150 | 16 – 20 | 108 | 20 × 40 | 3000 |
| HM-AF 200 | 50 | 320 | 422 | 130 | 200 | 18 – 25 | 142 | 25 × 50 | 3000 |
| HM-AF 250 | 62.5 | 400 | 500 | 163 | 250 | 20 – 30 | 164 | 28 × 56 | 3500 |
| HM-AF 300 | 75 | 480 | 595 | 195 | 300 | 25 – 32 | 194 | 28 × 56 | 3500 |
| HM-AF 400 | 100 | 640 | 808 | 260 | 400 | 25 – 32 | 266 | 35 × 70 | 3500 |
| HM-AF 500 | 125 | 800 | 981 | 325 | 500 | 25 – 32 | 318 | 42 × 84 | 3500 |
| HM-AF 600 | 150 | 960 | 1160 | 390 | 600 | 28 – 40 | 373 | 48 × 96 | 3000 |
| HM-AF 800 | 200 | 1300 | 1550 | 520 | 800 | 41 – 50 | 499 | 54 × 108 | 3000 |
| HM-AF 1000 | 250 | 1550 | 1850 | 650 | 1000 | 50 – 62 | 580 | 54 × 108 | 3000 |
| Model | T [mm] |
S [mm] |
UHMW-PE Face Pads | Steel Frame | |||
| O [mm] |
P [mm] |
U [mm] |
O [mm] |
P [mm] |
|||
| HM-AFU 150 | 49 | 0 | 60 – 70 | 330 – 410 | 30 | 70 – 90 | 250 – 300 |
| HM-AFU 200 | 65 | 0 | 60 – 70 | 330 – 410 | 30 | 70 – 90 | 250 – 300 |
| HM-AFU 250 | 45 | 73 | 70 – 85 | 330 – 410 | 30 | 70 – 90 | 250 – 300 |
| HM-AFU 300 | 50 | 95 | 70 – 85 | 330 – 410 | 40 | 70 – 90 | 250 – 300 |
| HM-AFU 400 | 60 | 140 | 70 – 85 | 330 – 410 | 40 | 70 – 90 | 250 – 300 |
| HM-AFU 500 | 65 | 195 | 70 – 85 | 330 – 410 | 50 | 70 – 90 | 250 – 300 |
| HM-AFU 600 | 65 | 260 | 70 – 85 | 330 – 410 | 50 | 70 – 90 | 250 – 300 |
| HM-AFU 800 | 70 | 380 | 70 – 85 | 330 – 410 | 60 | 70 – 90 | 250 – 300 |
| HM-AFU 1000 | 80 | 490 | 70 – 85 | 330 – 410 | 60 | 70 – 90 | 250 – 300 |
Detailed Photos





Technical Parameters
Fender Type: Arch Rubber Fender (V- or A-type)
Material: Marine-grade rubber (natural + synthetic blend)
Energy Absorption: Moderate, suitable for small to mid-size vessels
Reaction Force: Optimized to protect quay structures and hulls
Size Range: Height 200 mm – 1000 mm (custom options available)
Optional Accessories: Anchors, steel mounting plates, UHMW-PE pads
Why Choose Hongruntong Marine?
Professional Manufacturer: Over 30 years of expertise in marine rubber fender production.
Strict Quality Control: Each fender is tested for compression, energy absorption, and durability.
Advanced Production Technology: Modern equipment ensures consistent precision and reliability.
Global Supply Capability: Fast delivery and worldwide logistics support.
Technical Support: Expert engineering team providing design and installation guidance.
Customer-Centered Service: Customized solutions and responsive after-sales support.
Quality & Service
Manufactured under ISO 9001:2015 quality management system
100% factory-tested for hardness, tensile strength, and compression performance
Long service life with minimal maintenance required
Full engineering support for design, selection, and installation
Global delivery with professional after-sales service
Frequently Asked Questions (FAQ)
Q: What are the advantages of arch fender systems?
A: Arch fender systems provide superior energy absorption efficiency, better stress distribution, and more uniform compression characteristics due to their optimized curved geometry.
Q: How does the arch type rubber fender perform in marine environments?
A: Our arch type rubber fender products feature advanced material formulations that ensure excellent performance and durability in harsh marine conditions.
Q: What factors determine the arch fender price?
A: The arch fender price is influenced by size specifications, material quality, performance requirements, and order quantity, with Hongruntong Marine offering competitive pricing through manufacturing efficiency.
Q: Can you customize arch marine fenders for specific projects?
A: Yes, we offer complete customization services for arch marine fenders, including special sizes, performance characteristics, and mounting configurations tailored to meet unique project requirements.