D Fenders
Hongruntong Marine manufactures industrial-grade D Fender bumpers, dock D fender systems and boat D fenders. Durable, low-reaction marine protection with custom sizes, mounting options and global delivery.

Hongruntong Marine is a manufacturer of premium D Fender products, offering complete Dock D Fender, Marine D Fender and boat D fender ranges engineered for long-lasting berth protection. Our D Fender bumpers combine proven geometry and marine-grade materials to deliver consistent energy absorption, low permanent set and reliable service in harsh saltwater environments. Available in standard sizes and custom configurations, Hongruntong D Fender systems are suitable for marinas, commercial quays, ferry terminals and offshore installations.
Hongruntong Marine specializes in manufacturing high-performance D Fender systems designed for optimal marine protection. Our comprehensive product range includes durable Dock D Fender solutions for port infrastructure, robust Marine D Fender systems for various marine applications, reliable D Fender Bumper components, and specialized Boat D Fender products for vessel protection. These engineered D-shaped fender solutions combine innovative geometry with premium materials to deliver exceptional impact absorption and long-term reliability in demanding marine environments.
Characteristics
Compact D-Shape Profile — Flat face for broad contact, minimal projection from the structure, ideal for narrow berthing pockets and dock edges.
Excellent Energy Absorption — Designed to absorb impact energy while limiting reaction force transmitted to hulls and quay walls.
Durable Construction — Marine-grade rubber compounds resist ozone, UV, saltwater and abrasion for extended service life.
Simple Installation — Multiple fixing options (through-bolt, backing plate, rope or chain mounting) suit new builds and retrofits.
Low Maintenance — Tough elastomeric material reduces repair frequency and lifecycle cost.
Versatile Sizes — Range of heights and thicknesses to protect everything from small boats to workboats and service vessels.
Cost-Effective Protection — Competitive price-per-meter compared with more complex fender systems.
Applications
Marina berths and floating docks (boat D fender)
Ferry landings and small-craft terminals
Commercial quays, service pontoons and workboat berths
Lock chambers and canal moorings
Temporary berthing arrangements and retrofit protection

| Application: | Impact protection in a variety of marine applications |
| Product: | Marine D Fenders |
| Hardness (Shore A): | 72° |
| Material: | Natural Rubber / SBR |
| Colour: | Black / Non-Marking Grey / White |
Technical Data
| PROPERTIES | TEST STANDARD | VALUES |
| Compound | - | NR / SBR |
| Density (Specific Gravity) | DIN 53505 | 1200 kg/m3 |
| Tensile Strength | DIN 53504 | ≥16 MPa |
| Elongation at Break | DIN 53504 | ≥350% |
| Tear Resistance (23°C) | DIN 53507 | ≥80 N/cm |
| Abrasion Resistance | DIN 53516 | ≤100mm3 |
| Compression Set (24hrs @ 70°C) | DIN 53517 | ≤40% |
| Ozone Resistance (ppm 20% 72hrs @ 40°C) | ISO 143/1 | No cracking visible by eye |
| Change In Hardness | DIN 53504 | ≤5° |
| Change In Tensile Strength | DIN 53504 | ≥80% |
| Change In Elongation at Break | DIN 53504 | ≥80% |
| Minimum Temperature | - | -30°C |
| Maximum Temperature | - | +70°C |
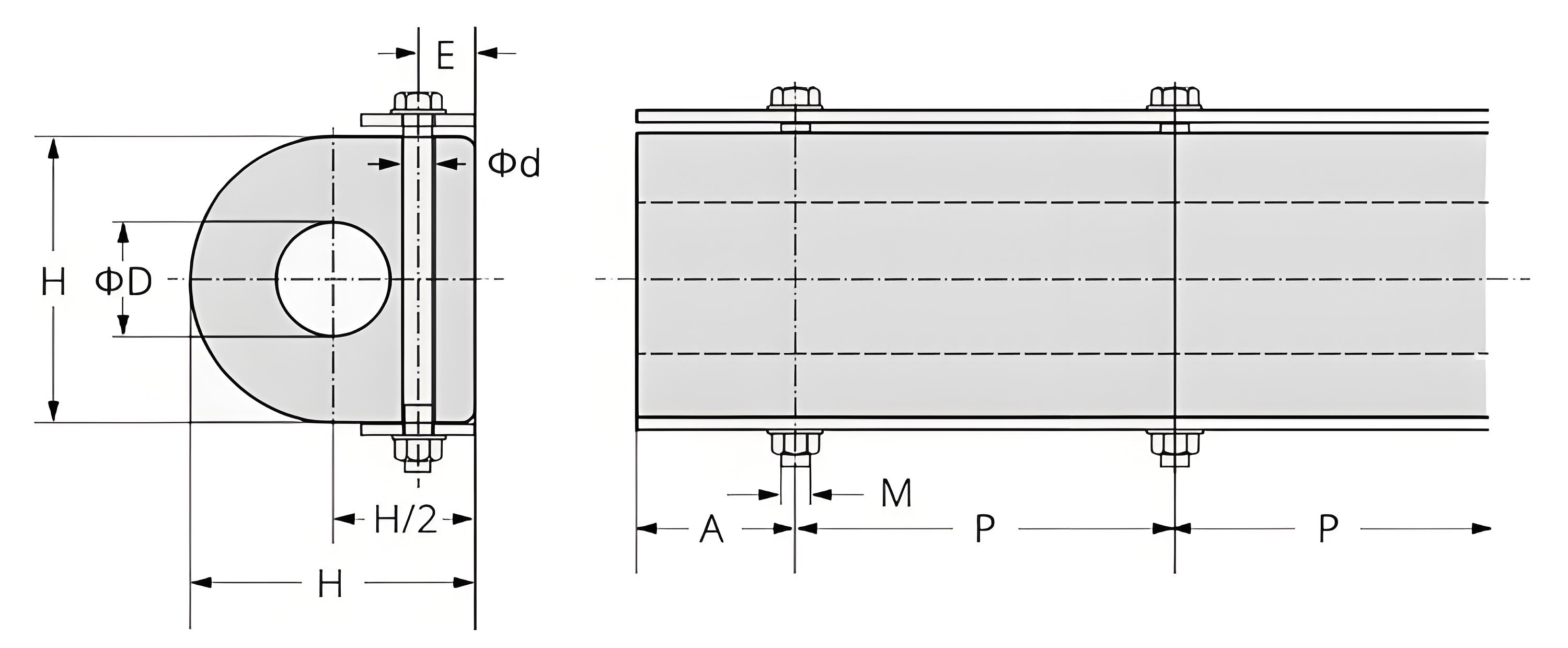
Dimensions

| Model | H | ØD | E | Ød | A | P | Flat Bar | M |
| HM-SD100H | 100 | 50 | 25 | 15 | 90~130 | 200~300 | 50x6 | M12 |
| HM-SD150H | 150 | 65 | 30 | 20 | 110~150 | 250~350 | 60x8 | M16 |
| HM-SD100H | 200 | 75 | 45 | 25 | 130~180 | 300~400 | 100x10 | M20 |
| HM-SD250H | 250 | 100 | 50 | 30 | 140~200 | 350~450 | 100x10 | M24 |
| HM-SD300H | 300 | 125 | 60 | 30 | 140~200 | 350~450 | 110x12 | M30 |
| HM-SD350H | 350 | 175 | 70 | 35 | 140~200 | 350~450 | 120x12 | M30 |
| HM-SD400H | 400 | 200 | 80 | 35 | 140~200 | 350~450 | 130x15 | M30 |
| HM-SD500H | 500 | 250 | 100 | 35 | 140~200 | 350~450 | 130x15 | M36 |

| Model | H | B | F | E | A | P | Flat Bar | M |
| HM-ZD100H | 100 | 25 | 24 | 30 | 90~130 | 200~300 | 40x5 | M12 |
| HM-ZD150H | 150 | 37.5 | 32 | 40 | 110~150 | 250~350 | 50x8 | M16 |
| HM-ZD200H | 200 | 50 | 40 | 50 | 130~180 | 300~400 | 70x10 | M20 |
| HM-ZD250H | 250 | 62.5 | 48 | 30 | 140~200 | 350~450 | 90x12 | M24 |
| HM-ZD300H | 300 | 72 | 48 | 30 | 140~200 | 350~450 | 100x12 | M30 |
| HM-ZD350H | 350 | 87.5 | 60 | 75 | 140~200 | 350~450 | 130x15 | M30 |
| HM-ZD400H | 400 | 100 | 60 | 75 | 140~200 | 350~450 | 150x15 | M30 |
| HM-ZD500H | 500 | 125 | 72 | 90 | 140~200 | 350~450 | 180x15 | M36 |
Performance Curve

Detailed Photos




Typical Technical Specifications
Final selection should be based on vessel size, berthing energy and berth geometry.
Material: SBR / NR (standard) or CR / EPDM (optional for enhanced chemical/UV resistance)
Profile: D-section (flat front face, curved rear)
Face Width: 80 mm – 350 mm (model dependent)
Overall Height: 50 mm – 600 mm
Thickness (base): 40 mm – 300 mm
Energy Absorption: varies by size — consult sizing table for kN·m values
Reaction Force: optimized by profile; lower than equivalent square-section bumpers
Mounting Options:
Through-bolt (with steel backing plate)
Adhesive/chemical fix for low-load applications
Rope / chain lash-up for floating docks
Operating Temp: −40°C to +80°C (material dependent)
Service Life: 8–20 years (site and maintenance dependent)
Installation Guidance
Select D Fender size according to vessel displacement, berthing speed and desired stand-off.
Prepare backing structure — plate thickness and anchor pattern must match fender loads.
For through-bolt installation use marine-grade stainless fasteners and protective backing plates.
For floating docks, use rope/chain mounting with chafe protection.
Ensure correct compression and alignment — avoid over-tightening which reduces energy absorption.
Why Choose Hongruntong Marine?
Precision Engineering
Advanced manufacturing processes ensure consistent D-shaped geometry across all D Fender products
Quality Assurance
Each Marine D Fender undergoes rigorous testing for compression performance and structural integrity
Custom Solutions
Tailored Boat D Fender configurations available for specific vessel requirements
Global Standards
All Dock D Fender products manufactured according to international marine standards
Quality & Service
Produced under ISO-aligned quality systems.
Material certificates and test reports available on request.
Optional FAT (Factory Acceptance Test) and third-party inspection for critical projects.
Spare parts, replacement skins and installation kits supplied.
FAQ
Q1: What is the difference between a D Fender and a simple rubber bumper?
A1: D Fenders have a D-shaped cross section giving a broad, flat face for vessel contact with improved energy absorption and reduced projection — better for constrained berths than basic block bumpers.
Q2: Can D fenders be used on floating docks and boats?
A2: Yes. For floating docks and small craft, rope or chain mounting and smaller profile D fenders (boat D fender) are common and effective.
Q3: How do I choose the correct D fender size?
A3: Provide vessel size, maximum berthing speed, and berth layout. We’ll perform a sizing check (energy & reaction) and recommend a model.
Q4: Are custom compounds or colors available?
A4: Yes — we offer alternative rubber compounds (for chemical/UV resistance) and color options for visibility or branding.
Q5: What maintenance is required?
A5: Periodic visual inspections for cuts, wear and attachment integrity; replace damaged units or securing hardware as required.